Q7 — Electronics
Proving Ground
Open main menu
Topics
Q7
Electronics
#0000091674
7 / 169
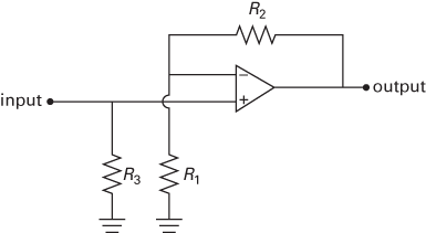
What is the input impedance of the ideal op amp shown?
A.
R
1
B.
R
3
C.
R
2
R
1
+
R
3
R
2
R
1
+
R
3
D.
R
1
R
3
R
1
+
R
3
R
1
R
3
R
1
+
R
3
Submit answer
Previous
Back to topic
Next