Q8 — Circuit Analysis (read-only)

Q8

#0000086764

8 / 218

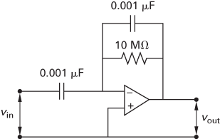
An op amp is integrated into an amplification circuit as shown.

Disregarding the effects of phase change on the output voltage, the voltage gain at an input frequency of 100 Hz is most nearly

Browse-only — this topic has not been backfilled with correct-answer flags yet, so the quiz runner cannot score it.

A. 1.0

B. 1.5

C. 2.0

D. 2.5