Q4 — Circuit Analysis (read-only)

Q4

#0000080912

4 / 218

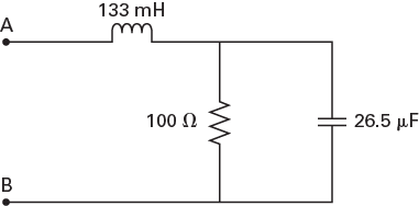
The circuit shown is connected across a 120 V, 60 Hz source.

What is most nearly the equivalent input impedance?

Browse-only — this topic has not been backfilled with correct-answer flags yet, so the quiz runner cannot score it.

A. 16 Ω∠−33°16 Ω∠−33°

B. 50 Ω∠0°50 Ω∠0°

C. 71 Ω∠−45°71 Ω∠−45°

D. 110 Ω∠63°110 Ω∠63°